
This product contains the following details| Product name | Input method | Design No. | Type | Range |
| 85 | C | 1 | A | * |
|
85:85 69:69 |
C:DC L:AC |
1:1 9:9 |
A: Ammeter |
*:*A (V, Hz, W, var, COSφ) |
| Input Method | Type |
| DC | Ammeter, Voltmeter |
| AC |
Ammeter, voltmeter, Active power meter, Reactive power meter, Frequency Meter, power factor meter |
Range Parameter Table
| Product type | Type | Range | Accuracy class |
| DC Ammeter |
69C9-A 85C1-A
|
Directly connect to 50μA~500μA | Class 2.5 |
| Directly connect to 1mA~500mA | |||
| Directly connect to 1A~20A | |||
| Connect to 5A~10k via external shunt | |||
| DC Voltmeter |
69C9-V 85C1-V
|
Directly connect to 3V~600V | |
| Connect to 750V~1.5kV via external resistant | |||
| AC Ammeter |
69L9-A 85L1-A
|
Directly connect to 0.1A~50A | |
| Connect to 5A/5A~10kA/5A via 5A Secondary CT | |||
| AC voltmeter |
69L9-V 85L1-V |
Directly connect to 3V~600V | |
| Connect to 380V/100V~380kV/100V via 100V Secondary VT | |||
| Frequency Meter |
69L9-Hz 85L1-Hz |
45Hz~55Hz 55Hz~65Hz 45Hz~65Hz |
Class 1.0
|
| 100V 220V 380V | |||
| Frequency Meter |
72L-Hz 96L-Hz
|
45Hz~55Hz 55Hz~65Hz 45Hz~65Hz | Class 1.0 |
| 100V 220V 380V | |||
|
Active power meter Reactive power meter |
69L9-W 85L1-W
|
Directly connect to voltage 100V, 220V, 380V | Class 2.5 |
| Connect to 380V/100V~380kV/100V via 100V Secondary VT | |||
|
69L9-var 85L1-var |
Directly connect to current 5A | ||
| Connect to 5A/5A~10kA/5A via 5A Secondary CT | |||
| Three-phase power factor meter |
69L9-COSφ 85L1-COSφ |
0.5 (lead) ~1~0.5 (lag) | |
| 100V/5A 220V/5A 380V/5A |
Order Information:
The ordering code for Type 69 pointer panel meter (AC input, ammeter) is 69L9A*.
■ Display variation trend of measured object and easy to read.
■ The cover is made of transparent organic glass.
■ Bolt-fixed installation.
| International Standard | IEC 51-1~9 |
| National Standard | GB/T 7676.1~9 |
| Industrial Standard | JB/T 9281, JB/T 9282, JB/T 9284, JB/T 9286, JB/T 9287 |
| Withstand Voltage Test | Frequency: 50Hz, voltage: 2000V, lasting time: 1min |
| Resistance to mechanical shock | Max. Acceleration 147m/s2 |
| Responding time | ≤4S |
| Deflection angle of pointer | 90° |
■Type FL2 Fixed Constant-value Shunt is used for extending the range of DC meters, and has a rated voltage drop of 75mV.
■The external power converter combined with a DC ammeter is used for measuring active power or reactive power
■The external power factor converter combined with a DC ammeter is used for measuring power factor.
■ Outline & Installation Dimensions of 69C9-A, V and69L9-A, V, W, var, COSΦ (mm)
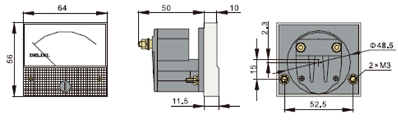
■ Outline & Installation Dimensions of 85C1-A, V和85L1-A (0.5A~20A), V, W, var, COSΦ
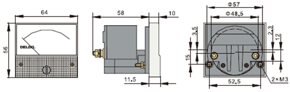
■ Outline & Installation Dimensions of 85L1-A (25A~50A)
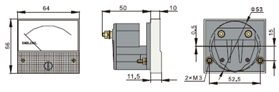
■ Outline & Installation Dimensions of 69L9-Hz (mm)
■ Outline & Installation Dimensions of 85L1-Hz
Wiring Diagram

CHINESE


Print this page
Fav this page
E-mail us: yqyb@delixi.com